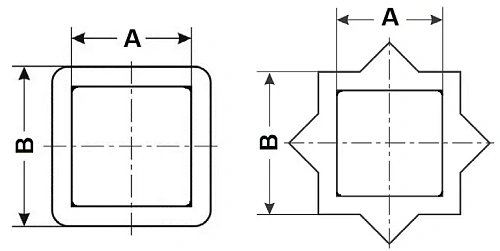
Переходники адаптеры для уменьшения и увеличения посадочных квадратов и звездочек приводов и редукторов, присоединяемых к штокам (валам) трубопроводной арматуры.
Квадрат-квадрат и квадрат-звезда.
Размеры 6,7,9,10,11,12,14,17,19,22,27,32,36,46 и 55 мм.
Переходники штоков.
Квадрат-квадрат и квадрат-звезда.
Размеры 6,7,9,10,11,12,14,17,19,22,27,32,36,46 и 55 мм.
Переходники штоков.
